


Raspberry Pi Pico WH - это микроконтроллерная плата на базе микроконтроллера Raspberry Pi RP2040, предназначенная для использования в качестве недорогой, но гибкой платформы разработки. Плата имеет беспроводной интерфейс 2,4 ГГц (Wi-Fi 802.11n) и поставляется с распаянными контактами (Header).
Raspberry Pi Pico WH имеет встроенный бустер (SMPS), способный генерировать 3,3 В, необходимые для питания RP2040 (и внешних схем), из широкого диапазона входных напряжений (~1,8-5,5 В). Это обеспечивает значительную гибкость при питании устройства от различных источников, например, от одного литий-ионного элемента или трех последовательно соединенных батарей типа AA. Зарядные устройства также могут быть легко интегрированы в цепь питания Pico W.
Перепрограммирование флэш-памяти Pico WH может быть выполнено с помощью USB-соединения (просто перетащите файл на Pico WH, который отображается как устройство хранения данных), или с помощью порта SWD (последовательная проводная отладка) вы можете перезапустить систему, загрузить и выполнить код без нажатия кнопки. Порт SWD также можно использовать для интерактивной отладки кода, запущенного на RP2040, для поиска "ошибок" в коде.
Особенности:
- Cortex двухъядерный M0+ с переменной частотой до 133MHz;
- 264 кБ высокопроизводительной памяти SRAM;
- Внешняя Quad-SPI Flash-память с функцией eXecute In Place (XIP) и 16 кбайт кэша на кристалле;
- Встроенный USB1.1 (устройство или хост);
- 30 многофункциональных входов/выходов общего назначения (четыре могут быть использованы для АЦП);
- 12-битный аналого-цифровой преобразователь (АЦП) с частотой 500 к/с;
- Различные цифровые периферийные устройства:
- 2 × UART, 2 × I2C, 2 × SPI, 16 × ШИМ-каналов;
- 1 × таймер с 4 сигналами тревоги, 1 × часы реального времени;
- 2 × программируемые блоки ввода/вывода (PIO), 8 машин состояний;
- Гибкий, программируемый пользователем высокоскоростной ввод/вывод
- Возможность эмуляции таких интерфейсов, как SD-карта и VGA.
- Количество
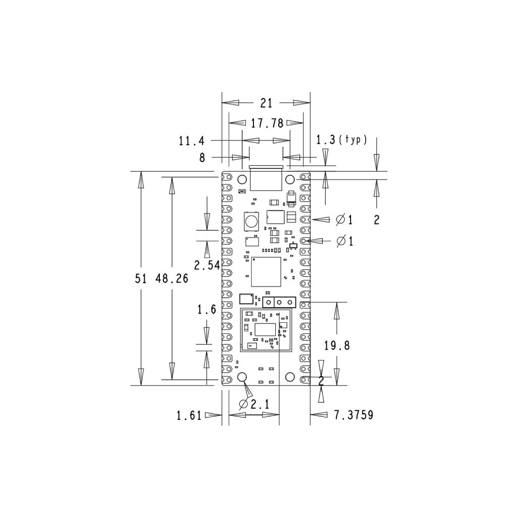
- Размеры
Додаткове обладнання для Мікро ПК Raspberry Pi Мікроконтролер Raspberry Pi Pico WH (SC0919)
Raspberry Pi Pico WH - это микроконтроллерная плата на базе микроконтроллера Raspberry Pi RP2040, предназначенная для использования в качестве недорогой, но гибкой платформы разработки. Плата имеет беспроводной интерфейс 2,4 ГГц (Wi-Fi 802.11n) и поставляется с распаянными контактами (Header).
Raspberry Pi Pico WH имеет встроенный бустер (SMPS), способный генерировать 3,3 В, необходимые для питания RP2040 (и внешних схем), из широкого диапазона входных напряжений (~1,8-5,5 В). Это обеспечивает значительную гибкость при питании устройства от различных источников, например, от одного литий-ионного элемента или трех последовательно соединенных батарей типа AA. Зарядные устройства также могут быть легко интегрированы в цепь питания Pico W.
Перепрограммирование флэш-памяти Pico WH может быть выполнено с помощью USB-соединения (просто перетащите файл на Pico WH, который отображается как устройство хранения данных), или с помощью порта SWD (последовательная проводная отладка) вы можете перезапустить систему, загрузить и выполнить код без нажатия кнопки. Порт SWD также можно использовать для интерактивной отладки кода, запущенного на RP2040, для поиска "ошибок" в коде.
Особенности:
- Cortex двухъядерный M0+ с переменной частотой до 133MHz;
- 264 кБ высокопроизводительной памяти SRAM;
- Внешняя Quad-SPI Flash-память с функцией eXecute In Place (XIP) и 16 кбайт кэша на кристалле;
- Встроенный USB1.1 (устройство или хост);
- 30 многофункциональных входов/выходов общего назначения (четыре могут быть использованы для АЦП);
- 12-битный аналого-цифровой преобразователь (АЦП) с частотой 500 к/с;
- Различные цифровые периферийные устройства:
- 2 × UART, 2 × I2C, 2 × SPI, 16 × ШИМ-каналов;
- 1 × таймер с 4 сигналами тревоги, 1 × часы реального времени;
- 2 × программируемые блоки ввода/вывода (PIO), 8 машин состояний;
- Гибкий, программируемый пользователем высокоскоростной ввод/вывод
- Возможность эмуляции таких интерфейсов, как SD-карта и VGA.
- Количество
- Размеры


